伸縮蝶閥是蝶閥系列的特殊類,是可以一閥兩用的閥門,它集伸縮器和法蘭式蝶閥于一體。該閥能在一定范圍內可軸向伸縮,有利于管道熱脹冷縮、消除管道振動及在一定角度范圍內克服管道對接不同軸而產生的偏移,方便閥門管路的安裝于拆卸。本閥適用于食品、飲料、醫藥、純凈管路、工業環保、水處理、建筑、給排水、管路作為介質的接通啟閉或調節流量之用。
產品特點
1、密封部位可調節更換,密封性能可靠。
2、結構新穎,設計靈活,重量輕,省力,啟閉迅速。
3、伸縮蝶閥不僅能補償管道溫差縮產生的熱脹冷縮的功能,還能為維修閥門安裝更換提供方便。
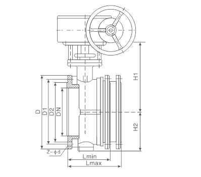
主要外形尺寸
|
公稱壓力 |
DN |
Lmax |
L0 |
Lmin |
D |
D1 |
D2 |
Z-Φd |
H1 |
H2 |
|
PN1.0MPa
|
100 |
196 |
190 |
164 |
220 |
180 |
156 |
8-19 |
120 |
239 |
|
150 |
227 |
210 |
192 |
285 |
240 |
211 |
8-23 |
124 |
278 |
|
|
200 |
247 |
230 |
212 |
340 |
295 |
266 |
8-23 |
170 |
295 |
|
|
250 |
267 |
250 |
230 |
395 |
350 |
319 |
12-23 |
198 |
357 |
|
|
300 |
286 |
270 |
252 |
445 |
400 |
370 |
12-23 |
218 |
353 |
|
|
350 |
310 |
290 |
270 |
505 |
460 |
429 |
16-23 |
253 |
427 |
|
|
400 |
332 |
310 |
290 |
565 |
515 |
480 |
16-28 |
285 |
465 |
|
|
450 |
352 |
330 |
310 |
615 |
565 |
530 |
20-28 |
310 |
490 |
|
|
500 |
375 |
350 |
330 |
670 |
620 |
582 |
20-28 |
340 |
520 |
|
|
600 |
420 |
390 |
360 |
780 |
725 |
682 |
20-31 |
397 |
610 |
|
|
700 |
465 |
430 |
395 |
895 |
840 |
794 |
24-31 |
467 |
690 |
|
|
800 |
510 |
470 |
430 |
1015 |
950 |
901 |
24-34 |
530 |
765 |
|
|
900 |
555 |
510 |
465 |
1115 |
1050 |
1001 |
28-34 |
595 |
830 |
|
|
1000 |
600 |
550 |
500 |
1230 |
1160 |
1112 |
28-37 |
670 |
910 |
|
|
1200 |
690 |
630 |
570 |
1455 |
1380 |
1328 |
32-40 |
785 |
1030 |
|
|
1400 |
780 |
710 |
640 |
1675 |
1590 |
1530 |
36-43 |
835 |
1180 |