產品概述
對夾式軟密封蝶閥適用于溫度≤120℃,公稱壓力≤16MPa的食品、醫藥、化工、石油、電力、臺金、城建、輕紡、造紙等給排水、氣體管道上作調節流量和截流介質的作用。
1、減小轉動力矩,支撐閥桿,并使其與閥體有效分離,減小閥桿的磨損。
2、經過拋光處理,與閥座精密配合。
3、實現氣密性試驗零泄漏要求,啟閉力矩小,延長閥座使用壽命。
4、閥桿密封不易變形,從而避免了通常的閥桿泄漏現象。
5、精度高,強度大,適用于手柄及其它控制裝置的安裝。
6、牢固連接閥桿與閥板,具有防振脫特點,且易于更換。
7、整體性好,便于控制閥板啟閉。
8、具有不脫落、抗拉、防泄漏、更換方便等特點。
9、作為管路中調節或截斷介質的設備。
10、適用于手柄控制裝置(DN50~300),蝸輪蝸桿、電動及氣動控制裝置。
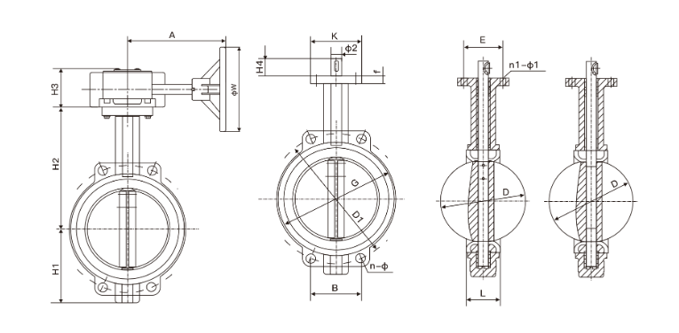
主要外形尺寸及重量(PN1.0/1.6MPa)
| DN(mm) | A | B | L | D1 | H4 | n-Φ | K | E | 4-Φ1 | Φ2 | G | 重量WT(kg) |
| 50 | 140 | 80 | 43 | 125 | 32 | 4-19 | 77 | 57.15 | 4-6.7 | 12.6 | 100 | 3.34 |
| 65 | 152 | 89 | 46 | 145 | 32 | 4-19 | 77 | 57.15 | 4-6.7 | 12.6 | 120 | 3.94 |
| 80 | 159 | 95 | 45.21 | 160 | 32 | 8-19 | 77 | 57.15 | 4-6.7 | 12.6 | 127 | 4.05 |
| 100 | 178 | 114 | 52.07 | 180 | 32 | 8-19 | 92 | 69.85 | 4-10.3 | 15.77 | 156 | 5.48 |
| 125 | 190 | 127 | 55.5 | 210 | 32 | 8-19 | 92 | 69.85 | 4-10.3 | 18.92 | 190 | 7.66 |
| 150 | 203 | 139 | 55.75 | 240 | 32 | 8-23 | 92 | 69.85 | 4-10.3 | 18.92 | 212 | 8.5 |
| 200 | 238 | 175 | 60.58 | 295 | 45 | 8-23 | 115 | 88.9 | 4-14.3 | 22.1 | 268 | 25 |
| 250 | 268 | 203 | 68 | 350 | 45 | 12-23 | 115 | 88.9 | 4-14.3 | 28.45 | 325 | 31.4 |
| 300 | 306 | 242 | 76.9 | 400 | 45 | 12-23 | 140 | 107.95 | 4-14.3 | 31.6 | 403 | 45.9 |
| 350 | 368 | 267 | 76.17 | 460 | 45 | 16-23 | 140 | 107.95 | 4-14.3 | 31.6 | 436 | 54 |