您當前位置:產品中心 >> 止回閥 >> 鑄鋼升降式止回閥
鑄鋼升降式止回閥
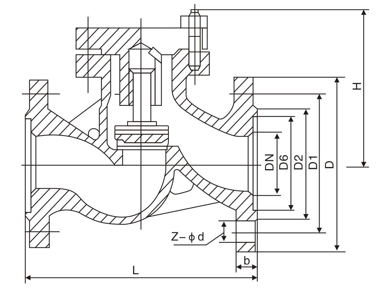
技術參數

產品型號:H41W/H

公稱通徑:DN15~300mm

公稱壓力:PN1.6~2.5MPa

工作溫度:-29°C~425°C

適用介質:水、蒸汽、油品等