系列浮動式球閥主要適用于天然氣、油品、化工、冶金、城建、環保、制藥、食品等行業,其中抗硫系列產品適用于含硫化氫介質、雜質多、腐蝕嚴重的天然氣長輸管線。
其主要結構特點有
1.閥座密封結構;浮動式球閥采用雙斜面彈性密封圈或V型槽彈性密封圈結構設計,保證密封的可靠性,對于低壓、超低壓或真空工況用球閥,采用板簧加載的閥座密封結構,能確保球閥長期可靠的密封。中、高溫球閥的閥座材料可選用對位聚苯或金屬材料。
2.自動泄壓結構;當中腔壓力出現異常升高現象時,中腔介質能依靠本身的推力推動閥座而自動泄壓,從而確保閥體的安全。
3.閥桿的可靠密封;閥桿采用有倒密封的下裝式結構,倒密封的密封力隨介質壓力的增高而增大,故能確保閥桿的可靠密封,而且,當閥腔異常升壓時,閥桿不會噴出。
4.防火結構;根據工況及用戶的需要,球閥可設計為防火結構。球閥的耐火設計執行API 607、API 6FA及JB/T 6899等標準的規定,一旦發生火災而使軟密封圈燒損時,球閥的防火結構可阻止介質的大量泄漏,防止火災的進一步擴大。
5.防靜電結構;當操作閥門時,由于球體和閥座之間的摩擦,會產生靜電電荷并積聚在球體上,為防止產生靜電火花,特在閥門上設置院靜電裝置,將積聚在球體上的電荷導出。
6.鎖定裝置;在手動球閥的全開、全閉兩點位置上設計可上鎖的結構,這樣,可防止誤操作以及不可預知的線路振動而產生的不應有的開關現象,特別是在可燃性介質的石油類和化學藥品的生產線,以及閥門在室外配管時,這種設計體現出的優點和實際效果特別好。
7.全通徑結構及縮徑結構;為滿足用戶的不同需要,本公司球閥產品有全通徑及縮徑兩種系列。全通徑球閥的通道內徑與管道內徑一致,便于管理清掃,而縮徑系列球閥的重量相對較輕,但流體阻力僅為相同口徑截止閥的1/7左右,故縮徑系列球閥的應用前景較為廣闊。
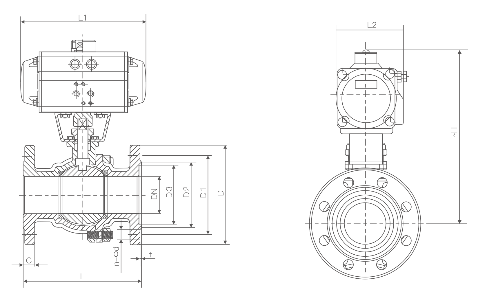
主要連接尺寸
| 公稱通徑DN(mm) | 主要尺寸 | 法蘭尺寸 | ||||||||||
| PN1.6MPa | PN2.5MPa | |||||||||||
| L | H | H1 | L1 | D | D1 | D2 | n-φd | D | D1 | D2 | n-φd | |
| 15 | 130 | 185 | / | 140 | 95 | 65 | 46 | 4-14 | 95 | 65 | 46 | 4-14 |
| 20 | 140 | 191 | / | 140 | 105 | 75 | 45 | 4-14 | 105 | 75 | 56 | 4-14 |
| 25 | 150 | 193 | / | 140 | 115 | 85 | 65 | 4-14 | 115 | 85 | 65 | 4-14 |
| 32 | 165 | 212 | / | 164 | 140 | 100 | 76 | 4-18 | 140 | 100 | 76 | 4-18 |
| 40 | 180 | 217 | / | 164 | 150 | 110 | 84 | 4-18 | 150 | 110 | 84 | 4-18 |
| 50 | 200 | 260 | 102 | 190 | 165 | 125 | 99 | 4-18 | 165 | 125 | 99 | 4-18 |
| 65 | 220 | 293 | 114 | 210 | 185 | 145 | 118 | 4-18 | 185 | 145 | 118 | 8-18 |
| 80 | 250 | 323 | 127 | 247 | 200 | 160 | 132 | 8-18 | 200 | 160 | 132 | 8-18 |
| 100 | 280 | 382 | 152 | 276 | 220 | 180 | 156 | 8-18 | 235 | 190 | 156 | 8-22 |
| 125 | 320 | 468 | 184 | 348 | 250 | 210 | 184 | 8-18 | 270 | 220 | 184 | 8-26 |
| 150 | 360 | 510 | 219 | 378 | 285 | 240 | 211 | 8-22 | 300 | 250 | 211 | 8-26 |
| 200 | 400 | 655 | 273 | 524 | 340 | 295 | 266 | 12-22 | 360 | 310 | 274 | 12-26 |
| 250 | 630 | / | 360 | / | 405 | 355 | 319 | 12-26 | 425 | 370 | 330 | 12-30 |
| 300 | 750 | / | 395 | / | 460 | 410 | 370 | 12-26 | 485 | 430 | 389 | 16-30 |